12月30日,江苏电力交易中心正式公示2026年省内电力市场年度交易结果。总成交电量2724.81亿千瓦时,加权均价344.19元/兆瓦时。其中:
火电:总成交2539.46亿千瓦时,加权均价344.85元/兆瓦时;
核电:总成交144.95亿千瓦时,加权均价335.50元/兆瓦时;
风电:总成交33.88亿千瓦时,加权均价336.85元/兆瓦时;
光伏:总成交6.53亿千瓦时,加权均价320.28元/兆瓦时。
对比2025年交易电价来看,光伏、风电成交价格以及电量均出现了大幅下降,光伏降幅最高达21.4%,风电降幅则达17.2%。此外,加权均价则由412.45元/兆瓦时降至344.19元/兆瓦时,降幅16.5%。
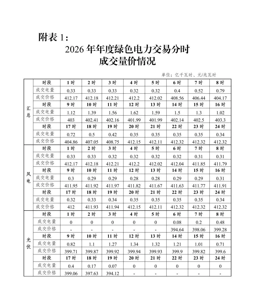
绿电交易方面,根据公告,2026年,江苏绿电交易电量为17.81亿千瓦时,加权均价404.94元/兆瓦时,其中绿色电力环境均价21.71元/兆瓦时。其中:
风电:成交7.62亿千瓦时,加权均价412.02元/兆瓦时,绿色电力环境均价28.48元/兆瓦时;
光伏:成交10.19亿千瓦时,加权均价399.65元/兆瓦时,绿色电力环境均价16.65元/兆瓦时。
详情如下:










信息来源:江苏电力交易中心
返回
京公网安备11010702002684